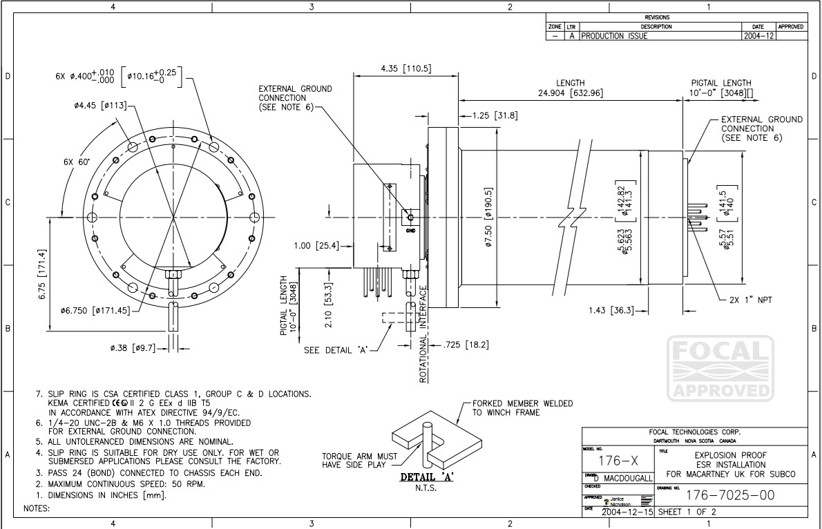
Focal 176 Slipring & JB

Item Reference: SPG-017

Explosion proof winch slipring (no fibres) and junction box.

Manufacturer

Focal

Model

176

Enquire about this item

Submit your details and a member of our team will be in touch with further information.

Get our lists straight to your inbox

Stay informed with a monthly round-up of available ROV and Survey equipment. No spam – just one issue of both DEEPSEARCH and SURVEYSEARCH each month.

Quick Enquiry

Enquire about: